| Sign In | Join Free | My tjskl.org.cn |
|
Brand Name : Original Factory
Model Number : MIMX8MD7CVAHZAA
Certification : Lead free / RoHS Compliant
Place of Origin : CN
MOQ : 10
Price : Contact for Sample
Payment Terms : T/T, L/C, Western Union
Delivery Time : 5-8 work days
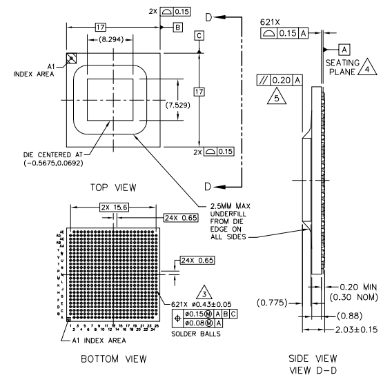
Packaging Details : 621-FBGA
Part Number : MIMX8MD7CVAHZAA
Operating Temperature : -40°C ~ 105°C (TJ)
Operating Supply Voltage : 0.81 V to 1.05 V
L2 Cache Instruction / Data Memory : 1 MB
Mounting Type : Surface Mount
Ethernet : GbE
Integrated Circuit Chip MIMX8MD7CVAHZAA MPU Microprocessor IC BGA Package
Product Description Of MIMX8MD7CVAHZAA
The MIMX8MD7CVAHZAA Dual processors have hardware acceleration for video playback up to 4K, and can drive the video outputs up to 60 fps.The MIMX8MD7CVAHZAA is processors feature advanced implementation of a quad Arm®Cortex®-A53 core, which operates at speeds of up to 1.3 GHz.
Specification Of MIMX8MD7CVAHZAA
| Core Processor | ARM® Cortex®-A53 |
| Number of Cores/Bus Width | 2 Core, 64-Bit |
| Speed | 1.3GHz |
| Co-Processors/DSP | ARM® Cortex®-M4 |
| RAM Controllers | DDR3L, DDR4, LPDDR4 |
| Graphics Acceleration | Yes |
| Display & Interface Controllers | eDP, HDMI, MIPI-CSI, MIPI-DSI |
| Ethernet | GbE |
Feature Of MIMX8MD7CVAHZAA
Physical Dimensions Of MIMX8MD7CVAHZAA

FAQ
Q. Are your products original?
A: Yes, all products are original, new original import is our purpose.
Q:Which Certificates do you have?
A:We are ISO 9001:2015 Certified Company and member of ERAI.
Q:Can you support small quantity order or sample?Is the sample free?
A:Yes,we support sample order and small order.Sample cost is different according to your order or project.
Q:How to ship my order? Is it safe?
A:We use express to ship,such as DHL,Fedex,UPS,TNT,EMS.We can also use your suggested forwarder.Products will be in good packing and ensure the safety and we are responsible to product damage to your order.
Q:What about the lead time?
A:We can ship stock parts within 5 working days.If without stock,we will confirm lead time for you based on your order quantity.
|
|
MIMX8MD7CVAHZAA Integrated Circuit Chip MPU Microprocessor IC BGA Package Images |